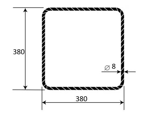
Třmínek do betonu R8 380 x 380 mm
je žebírková výztuž kruhového průřezu ohnutá do tvaru čtverce nebo obdélníku, slouží k fixaci a jako smyková výztuž. Spolu s podélnými rovnými pruty se vkládá do betonu pro zvýšení únosnosti a snížení deformace betonových ploch. Armovací třmínek má použití např. jako třmínky do základů, překladů nebo třmínky do věnce.
Pro betonáž věnců máme v nabídce také roxory, které se používají jako příčná výztuž po celém obvodu věnce a vážou se k třínkům pomocí vazacího drátu. Pro bednění věnců můžeme nabídnout bednící spony spolu s deskami, popřípadě U-profily či věncovky. Pro zhotovení výztuže stropního systému pak v naší nabídce najdete kari sítě.
Schéma použité výztuže:

Toto zboží je vyráběno na zakázku dle individuálních požadavků zákazníka. Odesláním objednávky zákazník potvrzuje svůj souhlas s povinností úhrady a bere na vědomí, že v souladu s § 1837 písm. d) občanského zákoníku (zákon č. 89/2012 Sb.) nelze objednávku po jejím odeslání měnit ani zrušit a na toto zboží se nevztahuje právo na odstoupení od smlouvy do 14 dnů bez udání důvodu. |